ICOM Board 的更换(HD750机型)
这里跟大家分享一下这周友谊医院optima 660 ICOM board 更换的维修案例,这是比较新的一个备件,更换并不难。
故障现象:
周五中午机器重新启动后,机器无法复位, console 和 gantry 通信全部为down ,机器重启几遍后恢复,初步判断 ICOM board 性能不好,周日早上,医院停电,来电后,机器一直无法复位。
原理分析:
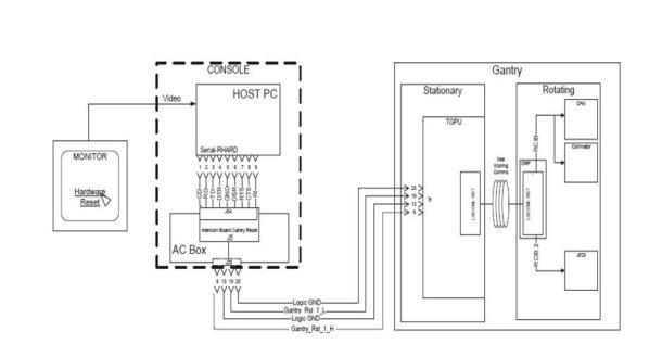
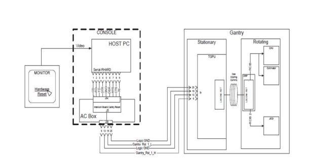
由图可见,ICOM board 损坏,无法完成复位通信功能。
备件更换:
备件号:5233006
这是一个比较新的备件号,大家可以记录下来,方便日后查找备件更换还是比较容易的,位置如同所示:
拆掉console 顶盖后:
备件有6 颗螺丝,拆掉后即可更换:
这是一个比较新的备件,这里分享出来,供大家日后维修参考。


